انتخاب موقعیت
انتخاب گروهبندی

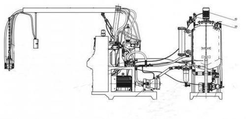
دستگاه تزریق فوم پلی یورتان - تهران

آگهی رایگان
بروزرسانی : شنبه 5 اسفند 1396
دستگاه تزریق فوم پلی یورتان ساخت دستگاه و راه اندازي خط توليد انواع ماشين الات تزریق فوم پلی اورتان ,

وانواع ماشين الات توليد ابر واسفنج,

شركت ماشين سازي فني مهندسي صنعت گستر پرسان تاسيس1380

۱ ساخت دستگاه تزریق فوم سرد و راه اندازي خط كامل توليدفوم سرد براي مبلمان وتشك خواب

۲ ساخت دستگاه تزریق فوم يخچالي و ساخت وراه اندازي خط توليد كامل يخچال انواع دستگاههاي تزریق فوم پلی یورتان,پرس توليد انواع يخچالهاي صنعتي ،ويتريني و فروشگاهي و يخچالهاي ايستاده تك درب و دو درب و انواع پرسهاي توليد ساندويچ پانل در اندازه هاي 3-6-8-10-12 متري و دستگاه رول فرمينگ و نيز دستگاهها و تجهيزات توليد درب سردخانه و سردخانه هاي متحرك.

۳ ساخت دستگاه تزریق فوم پلی اورتان دستگاه تزریق فوم چوب

۴ساخت دستگاه تزریق فوم پي يوPU وساخت دستگاه توليد زيره كفش و دستگاه تزریق فوم درزگير درب تابلو

۵ ساخت دستگاه تزریق فوم پلی اورتان ساخت دستگاه تزریق فوم انتگرال

۶ساخت دستگاه تزریق فوم پلی اورتان بصورت قابل حمل دستگاه پاششي



يخچالي و ريجيت پنلي و صندلي ماشين و فوم سرد مبلي - فوم پاششي فوم دpuوانتگرال و زيره كفش

فشار پايين وفشار بالا



ساخت دستگاه تزریق فوم چوب در شركت ماشين سازي صنعت گستر پرسان .



راه اندازي خط توليد زيره كفش بطور كامل دستگاه تزریق و اول كانواير.........

مشاوره ، طراحي و اجراي اتوماسيون صنعتي در بهينه سازي كارايي خطوط توليد فوم پلی یورتان فوم سردو يخچالي و ريجيت پنلي و صندلي ماشين وفوم مبلي





1. اموزش فرموله كردن فوم سرد براي سود بيشتر وكيفيت بيشتر براي اولين بار در ايران

2. تعمير و نگهداري ماشين الات تزریق پلی یورتان

3. ساخت انواع قالبهاي ارالديتي و الومينيومي تزریق فوم پلی یورتان سرد براي خطوط توليد صندلي خودرو ، پشت سري ، زير ارنجي ، غربيلك فرمان ، زين موتور ، مبلمان اداري و خانگي

4. ساخت ماشين الات توليد پنل ( ساندويچ پنل )، ديوارهاي پيش ساخته ، درهاي عايق ، يخچالهاي صنعتي



شركت صنعت گستر پرسان با سالها پشتوانه كاري و تجربه ، پروژه هاي زيادي را با موفقيت به اتمام رسانده و در تمام زمينه ها از توليد تا تهيه و ساخت ماشين الات در زمينه توليد فومهاي مبلمان اداري و مبلمان خانگي فعال بوده است





مشخصات ماشينهاي تزریق فشار پايين وفشار بالا

1. دو يا چند مخزن كه مخزنها بر مبناي ظرفيت ماشين و فرايند تعيين مي گردد و شامل سيستم همزدن مواد داخل مخزن مي باشد ، سيستم همزن متناسب با مواد مصرفي و قطعات توليدي انتخاب خواهد شد.

2. پمپهاي انتقال

3. هد تزریق

4. سيستم كنترل PLC به همراه مونيتورينگ

5. سيستم گردش مواد در زمان تعطيلات

6. سيستم بارگيري مخازن پلی ال و ابزو سيانات به صورت مجزا و اتوماتيك

7. كنترل دور موتور هاي مواد به كمك اينورتور

8. بوم متحرك با زاويه چرخش 180 درجه و طول 2.5 متر

9. امكان تزریق با 99 يرنامه تزریق با زمان و نسبت متفاوت

10. مخازن شستشوي جداگانه كه امكان استفاده از دو ماده شوينده را فراهم مي نمايد.

11. سيستم خنك كننده و گرم كننده مواد

12. سيستم كنترل سطح مواد اتوماتيك

13. سيستم كنترل الكترو پنوماتيك مسيرهاي مواد ، دما و شستشو16 واحد مراقبت هواي فشرده

14. مسيرهاي ثابت داراي لوله هاي مانيسمان و مسيرهاي متحرك شيلنگهاي فشار قوي

15. شاسي كه در صورت نياز ميتواند همراه كابين باشد



تهران . بزرگراه ازادگان احمد اباد مستوفي ميدان امام حسين . خ شهيد رمضاني ك گلايول 4 پ 19



شركت ماشين سازي پرسان صنعت ساخت انواع ماشين الات و دستگاه تزریق فوم پلی اورتان و اموزش فرمولاسيون پلی اورتان

دستگاه تزریق فوم پلی اورتان

دستگاه تزریق فوم سرد

راه اندازي خط توليد فوم پلی اورتان

راه اندازي خط توليد فوم سرد

دستگاه تزریق فوم يخچال

راه اندازي خط توليد يخچال

دستگاه تزریق فوم پي يوPU

راه اندازي خط توليد فوم پي يوPU

دستگاه تزریق فوم انتگرال

راه اندازي خط توليد فوم انتگرال

دستگاه تزریق فوم چوب

راه اندازي خط توليد فوم چوب

فمو پلی اورتان

فوم سرد

فوم چوب

فوم يخچالي

فوم انتگرال

فوم پي يو PU

آگهی دهنده
parsansanat@yahoo.com
  • قیمت : تماس بگیرید
  • تلفن :
  • شهر :
  • آدرس : تهران احمداباد مستوفی گلایل 4 پ19
ارسال پیام به آگهی دهنده
کدآگهی : 910055
بازدید : 1666
دسته بندی : ماشين آلات
آگهی دهنده
parsansanat@yahoo.com
  • قیمت : تماس بگیرید
  • تلفن :
  • شهر :
  • آدرس : تهران احمداباد مستوفی گلایل 4 پ19
ارسال پیام به آگهی دهنده
دستگاه ذخیر شماره موبایل مشتری
دستگاه ذخیر شماره موبایل مشتری
بازاریابی و تبلیغات پیامکی
بازاریابی و تبلیغات پیامکی

بهترین پنل اس ام اس با بیشترین امکانات و کمترین تعرفه پیامک

niazpardaz-sms.com